水工閘墩、構筑物改造設計(水利與水力發電)
1、水工閘墩加固設計
適用范圍:
主要解決一些水力發電站閘墩由于施工、運行及后期維護不當、整體改造等原因導致閘墩出現病害或承載力不滿足設計要求,而閘墩又不能拆除重建,需進行加固處理的情況。
2、設計依據
《建筑結構荷載規范》(GB5009-2012)
《建筑結構可靠度設計統一標準》(GBJ50068-2001)
《混凝土結構設計規范》(GB50010-2010)
《混凝土結構加固設計規范》(GB 50367-2013)
《混凝土結構后錨固技術規程》(JGJ 145-2013)
《水工建筑物止水帶技術規范》(DL/T5215-2005)
《水工混凝土施工規范》(SL 677-2014)
《水工混凝土結構設計規范》(SL191-2008)
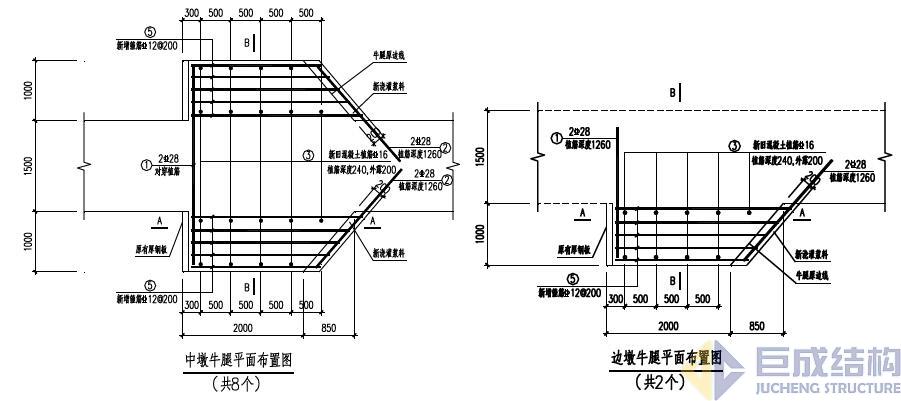
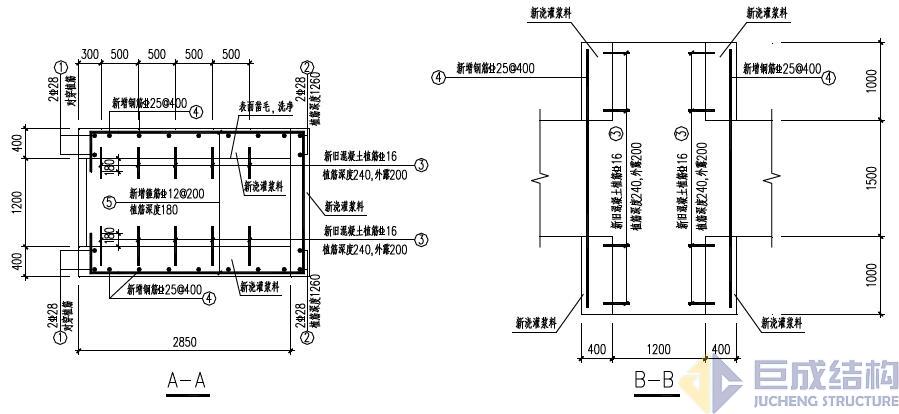
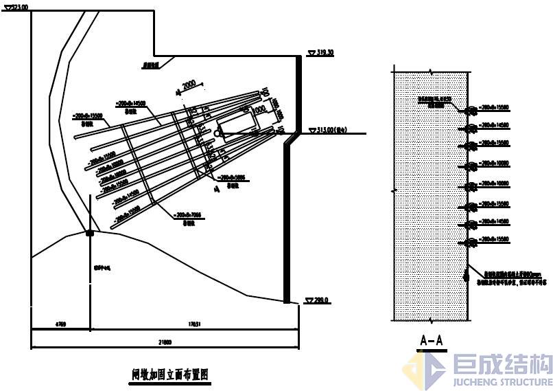
3、設計大樣圖
4、設計范例
水閘牛腿及閘墩加固圖 下載
- 上一篇: 建(構)物頂升糾偏加固(頂升糾偏與平移)
- 下一篇: 渡槽加固設計(水利與水力發電)


